快活林楼凤论坛最新消息,风楼阁交友平台个人接单上门服务,青岛龙凤茶楼论坛网51一品茶楼论坛,一品楼qm论坛最新活动

 
¡¤¼ÓÈëÊÕ²Ø ¡¤Ñ¯¼ÛÁôÑÔ
 
Ê× Ò³ ¹«Ë¾¼ò½é ²úƷչʾ ¹«Ë¾ÐÂÎÅ ¼¼ÊõÎÄÕ ×ÊÁÏÏÂÔØ ÁªÏµÎÒÃÇ
¡¡Ê×Ò³ > ²úƷչʾ > ¹ÜµÀÀëÐıà > IHF³Ä·úÀëÐıÃ
 
IHF³Ä·úÀëÐıÃ
·Å´óͼƬ
²úÆ·Ãû³Æ£º IHF³Ä·úÀëÐıÃ
²úÆ·Ðͺţº IHFÐÍ
²úÆ·ÌØµã£º lHFÐͳķúËÜÁÏÀëÐıÃÊÇȪ´ï¹«Ë¾¼¼ÊõÈËÔ±°´IH²»Ðâ¸ÖÀëÐıÃͼÑù±ÃÌå¡¢±Ã¸Ç½Ó´¥ÒºÌåµÄ²¿·Ö²ÉÓ÷úËÜÁÏÔöÇ¿ºÏ½ð³ÄÀïÑ¹ÖÆ.IHFÐͳķúËÜÁÏÀëÐıó§¼Ò
ÉÏÒ»¸ö²úÆ·£º[ FB¡¢AFB²»Ðâ¸ÖÄ͸¯Ê´ÀëÐıà ]
ÏÂÒ»¸ö²úÆ·£º[ IH²»Ðâ¸ÖÄ͸¯Ê´±Ã ]
²úÆ·ÃèÊö

IHF³Ä·úËÜÁÏÀëÐıòúÆ·¼ò½é£º

lHFÐͳķúËÜÁÏÀëÐıÃÊÇȪ´ï¹«Ë¾¼¼ÊõÈËÔ±°´IH²»Ðâ¸ÖÀëÐıÃͼÑù±ÃÌå¡¢±Ã¸Ç½Ó´¥ÒºÌåµÄ²¿·Ö²ÉÓ÷úËÜÁÏÔöÇ¿ºÏ½ð³ÄÀïÑ¹ÖÆ£¬Ò¶ÂÖ¡¢ÖáÌס¢Ò¶ÂÖÂÝĸµÈ¹ýÁ÷²¿¼þ¾ù²ÉÓ÷úËÜÁÏÔöÇ¿ºÏ½ðÑ¹ÖÆ£¬ÆäÐÔÄÜ¡¢Á¬½Ó°²×°³ß´çÓëlHÐͱñ£³Ö²»±ä£¬ÊÇÒ»ÖÖÄ͸¯ÐÔÄÜÇ¿µÄÀëÐıá£
     IHF»¯¹¤±ÃΪµ¥¼¶µ¥ÎüÐü±ÛʽÀëÐıá£Æä±ê¼Ç¡¢¶î¶¨ÐÔÄܵãºÍ³ß´çµÈЧ²ÉÓùú¼Ê±ê×¼IS02858-1975(E)¡¢ÊÇÈ¡´úFÐÍÄ͸¯Ê´ÀëÐıõĽÚÄÜ£¬¸üл»´ú²úÆ·¡£ÄÜÂú×㻯¹¤Á÷³ÌÖÐÊäËÍÓи¯Ê´ÐÔÕ³¶ÈÀàËÆÓÚË®µÄÒºÌå¡£

IHF³Ä·úËÜÁÏÀëÐıòúÆ·ÓÃ;£º 

     IHFÐͱÃΪµ¥¼¶µ¥Îüʽ·úËÜÁϺϽ𻯹¤ÀëÐıã¬Êǰ´¹ú±êÉè¼Æ²¢½áºÏ·Ç½ðÊô±ÃµÄ¼Ó¹¤¹¤ÒÕÉè¼ÆÉú²úµÄ¡£¸Ã±Ã¾ßÓÐÄ͸¯¡¢ÄÍÄ¥¡¢Ä͸ßΡ¢²»ÀÏ»¯¡¢»úеǿ¶È¸ß¡¢ÎÞ¶¾Ëطֽ⡢ʹÓÃÎÂ¶È¿í£¬ÊäËͽéÖÊζÈΪ-85C¡«200¡£CµÈÓŵ㡣¸Ã±Ã¹ã·ºÊÊÓÃÓÚ»¯¹¤¡¢ÖÆÒ©¡¢Ê¯ÓÍ¡¢Ò±½ð¡¢µçÁ¦¡¢µç¶Æ¡¢ËáÏ´¡¢Å©Ò©¡¢ÔìÖ½µÈÐÐÒµÖÐÒºÌåÊäËÍ¡¢·ÏË®´¦ÀíºÍ¼ÓËáµÈ¹¤ÒÕÁ÷³Ì¡£±¾±Ã¿ÉÊäËÍÈκÎŨ¶ÈµÄÁòËá¡¢ÑÎËá¡¢ÏõËá¡¢´×Ëá¡¢Çâ·úËá¡¢ÍõË®¡¢Ç¿¼ï¡¢Ç¿Ñõ»¯¼Á¡¢ÓлúÈܼÁµÈÇ¿¸¯Ê´ÐÔ½éÖʵÄʹÓã¬ÊÇĿǰ×îÏȽøµÄÄ͸¯Ê´×°±¸Ö®Ò»¡£ 

IHF³Ä·úËÜÁÏÀëÐıü¼Êõ²ÎÊý£º

Á÷Á¿£º6.3¡«400m3/h£»
Ñï³Ì£º5¡«132m£»
תËÙ£º2900¡¢1450r/min£»
¹¦ÂÊ£º0.55¡«110KW£»
½ø¿ÚÖ±¾¶£º50¡«200mm£»
×î¸ß¹¤×÷ѹÁ¦£º1.6Mpa¡£

IHF³Ä·úËÜÁÏÀëÐıÃÐͺÅÒâÒ壺

IHFÐͳķúËÜÁÏÀëÐıÃ,³Ä·úÀëÐıùæ¸ñ£¬³Ä·úÀëÐıü۸ñ£¬³Ä·úÀëÐıó§¼Ò

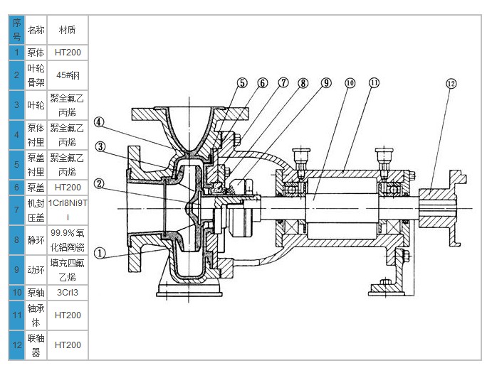
IHF³Ä·úËÜÁÏÀëÐıýṹͼ£º 

IHFÐͳķúËÜÁÏÀëÐıÃ,³Ä·úÀëÐıùæ¸ñ£¬³Ä·úÀëÐıü۸ñ£¬³Ä·úÀëÐıó§¼Ò

IHF³Ä·úËÜÁÏÀëÐıÃÐÔÄܲÎÊý£º

 

ÐÍ   ºÅ

תËÙ

r/min

Á÷Á¿Q

Ñï³Ì

m

ЧÂÊ

%

¹¦ÂÊ P

±ØÄÍÆû

Ê´ÓàÁ¿

(m)

m3/h

L/s

ÖṦÂÊ

µç»ú¹¦ÂÊ

£¨KW)

IHF32-25-125

2900

3.5

0.97

21

40

0.5

1.5

2.3

5

1.39

20

44

0.62

6.5

1.8

18

42

0.76

1450

1.75

0.49

5.25

37

0.068

0.75

2.3

2.5

0.69

5

40

0.085

3.25

0.9

4.5

38

0.105

IHF32-25-125A

2900

3.1

0.06

17.6

38

0.7

1.1

2.3

4.5

1.25

16

41

0.48

5.8

1.61

14.4

40

0.57

IHF32-25-160

2900

3.5

0.97

33

34

0.93

2.2

2.3

5

1.39

32

40

1.1

6.5

1.8

30

42

1.26

1450

1.75

0.49

8.25

30

0.131

0.75

2.3

2.5

0.69

8

38

0.143

3.25

0.9

7.5

40

0.166

IHF32-25-160A

2900

3.1

0.86

29

30

0.81

1.5

2.3

4.5

1.25

28

35

0.97

5.8

1.61

26

36

1.14

IHF40-32-125

2900

4.4

1.22

21

40

0.63

2.2

2.5

6.5

1.8

20

45

0.79

8.3

2.31

18

43

0.95

1450

2.2

0.6

5.25

37

0.085

0.75

2.5

3.25

0.9

5

41

0.108

4.15

1.15

4.5

40

0.127

IHF40-32-125A

2900

3.9

1.08

17.6

38

0.49

1.5

2.5

5.6

1.56

16

42

0.58

7.4

2.06

14.4

40

0.72

IHF40-32-160

2900

4.4

1.22

33

34

1.16

2.2

2.5

6.5

1.8

32

40

1.42

8.3

2.31

30

39

1.71

1450

2.2

0.6

8.25

33

0.14

0.75

2.5

2.5

0.9

8

36

0.15

3.25

1.15

7.5

37

0.18

IHF40-32-160A

2900

3.9

1.08

29

32

0.96

1.5

2.5

5.6

1.56

28

38

1.23

7.4

2.06

26

37

1.41

IHF50-32-125

2900

8.8

1.08

21.5

45

1.15

2.2

3.0

12.5

1.56

20

54

1.26

16.3

2.06

17.5

53

1.47

1450

4.4

1.2

5.37

37

0.17

0.75

3.0

6.25

1.74

5

46

0.18

8.15

2.26

4.37

45

0.22

IHF50-32-125A

2900

8

2.22

17

42

0.88

1.5

3.0

11

3.05

16

52

0.92

14.5

4.03

14

51

1.08

IHF50-32-160

2900

8.8

2.44

33

41

1.93

4

3.0

12.5

3.47

32

48

2.27

16.3

4.53

30

47

2.84

1450

4.4

1.2

8.25

31

0.31

0.75

3.0

6.25

1.74

8

41

0.33

8.15

2.26

7.5

42

0.39

IHF50-32-160A

2900

8.2

2.28

29

39

1.16

3

3.0

11.7

3.25

28

47

1.88

15.2

4.22

26

46

2.34

IHF50-32-200

2900

8.8

2.44

52

34

3.7

7.5

3.0

12.5

3.47

50

42

4.1

16.3

4.53

48

41

5.2

1450

4.4

1.2

13

25

0.62

1.5

3.0

6.25

1.74

12.5

33

0.65

8.15

2.26

12

36

0.74

IHF50-32-200A

2900

8.2

2.28

45

31

3.24

5.5

3.0

11.7

11.7

44

40

3.5

15.2

15.2

42

39

4.45

IHF50-32-250

2900

8.8

8.8

82

27

7.3

11

3.0

12.5

12.5

80

35

7.8

16.3

16.3

76

34

10

1450

4.4

4.4

20.5

20

1.22

2.2

3.0

6.25

6.25

20

27

1.26

8.15

8.15

19

30

1.4

IHF50-32-250A

2900

8.2

8.2

71

25

4.53

7.5

3.0

11.7

11.7

70

34

6.56

15.2

15.2

68

33

8.52

IHF65-50-125

2900

17.5

17.5

21.5

56

1.83

3

3.5

25

25

20

64

2.13

32

32

17.5

63

2.42

1450

8.72

8.75

5.37

45

0.28

0.75

3.5

12.5

12.5

5

57

0.3

16

16

4.37

58

0.33

IHF65-50-125A

2900

15.6

15.6

17

53

1.36

2.2

3.5

22.3

22.3

16

62

1.57

29

29

14

61

1.79

IHF65-50-160

2900

17.5

17.5

33

50

3.15

5.5

3.5

25

25

32

59

3.69

32

32

27.5

57

4.2

1450

8.75

8.75

8.25

40

0.49

1.1

3.5

12.5

12.5

8

53

0.51

16

16

6.87

51

0.59

IHF65-50-160A

2900

16.4

16.4

29

48

2.7

4

3.5

23.3

23.3

28

58

3.1

30.4

30.4

24

56

3.54

IHF65-40-200

2900

17.5

17.5

52

45

5.5

11

3.5

25

25

50

54

6.3

32

32

45.5

54

7.35

1450

8.75

8.75

13

36

0.86

1.5

3.5

12.5

12.5

12.5

46

0.93

16

, , ,

16

11.4

47

1.05

IHF65-40-200A

2900

16.4

16.4

46

43

4.3

7.5

3.5

23.3

23.3

44

53

5

30.4

30.4

40

52

5.2

IHF65-40-250

2900

17.5

17.5

82

39

10.1

18.5

3.5

25

25

80

50

10.9

32

32

76

52

12.74

1450

8.75

8.75

20.5

32

1.52

3

3.5

12.5

12.5

20

42

1.62

16

16

19

44

1.88

IHF65-40-250A

2900

16.4

16.4

71

36

8.8

15

3.5

23.3

23.3

70

48

9.3

30.4

30.4

68

50

11.25

IHF80-65-125

2900

35

35

21.5

64

3.2

5.5

4.0

50

50

20

69

3.95

65

65

17

67

4.5

1450

17.5

17.5

5.37

54

0.47

1.1

4.0

25

25

5

64

0.53

32.5

32.5

4.25

62

0.61

IHF80-65-125A

2900

31

31

17

62

2.3

4

4.0

45

45

16

68

2.88

58

58

14

67

3.3

IHF80-65-160

2900

35

35

33

60

5.24

11

4.0

50

50

32

68

6.41

65

65

27.5

67

7.27

IHF80-65-160

1450

17.5

4.86

8.25

50

0.78

1.5

4.0

25

6.9

8

62

0.88

32.5

9

6.88

61

1

IHF80-65-160A

2900

31

8.6

29

58

4.1

7.5

4.0

45

12.5

28

67

5.12

58

16.1

24

66

5.34

IHF80-50-200

2900

35

9.72

52

52

9.53

15

4.0

50

13.9

50

64

10.64

65

18.1

45.5

65

12.39

1450

17.5

4.86

13

51

1.21

3

4.0

25

6.9

12.5

59

1.44

32.5

9

11.38

58

1.74

IHF80-50-200A

2900

31

8.6

46

50

7.35

11

4.0

45

12.5

44

63

8.56

58

16.1

40

62

10

IHF80-50-250

2900

35

9.72

82

40

19.4

30

4.0

50

13.9

80

50

21.8

65

18.1

72

51

25

1450

17.5

4.86

20.5

40

2.4

4

4.0

25

6.9

20

50

2.7

32.5

9

18

51

3.12

IHF80-50-250A

2900

31

8.6

71.5

39

15.4

22

4.0

45

12.5

70

50

17.6

58

16.1

63

51

19.9

IHF100-80-125

2900

70

19.4

23

70

6.26

11

5.0

100

27.8

20

75

7.26

130

36.1

14

65

7.63

1450

35

9.7

5.75

65

0.85

1.5

4.5

50

13.9

5

70

0.97

65

18

3.5

64

0.98

IHF100-80-125A

2900

62.6

17.4

18

68

4.5

7.5

5.0

89

24.7

16

73

5.3

116

32.2

11

65

5.74

IHF100-80-160

2900

70

19.4

34

68

9.53

15

5.0

100

27.8

32

74

11.78

130

36.1

24

65

13.03

1450

35

9.7

8.5

60

1.35

2.2

4.5

50

13.9

8

68

1.6

65

18

6.5

67

1.69

IHF100-80-160A

2900

65.4

18.2

32

66

8.6

11

5.0

93.5

26

28

73

9.3

121

33.6

21

65

10.6

IHF100-65-200

2900

70

19.4

52

64

15.5

30

5.0

100

27.8

50

72

18.91

130

36.1

42

71

20.94

1450

35

9.7

13

60

2.06

4

4.5

50

13.9

12.5

68

2.5

65

18

10.5

63

2.95

IHF100-65-200A

2900

65.4

18.2

46

63

13

22

5.0

93.5

26

44

71

15.02

121

33.6

37

70

17.4

IHF100-65-250

2900

70

19.4

87

62

26.6

45

4.0

100

27.8

80

69

31.6

130

36.1

68

68

35

1450

30

8.33

21.2

58

3

5.5

4.5

50

13.9

20

63

4.3

60

16.7

18.5

62

4.72

IHF100-65-250A

2900

65.4

16.2

76.5

60

20.25

37

4.5

93.5

26

70

68

26.2

121

33.6

59

67

28

<IHFÐÍÎÔʽ³Ä·úËÜÁÏÀëÐıÃ>ÐÔÄÜÇúÏßͼ£º

IHFÐͳķúËÜÁÏÀëÐıÃ,³Ä·úÀëÐıùæ¸ñ£¬³Ä·úÀëÐıü۸ñ£¬³Ä·úÀëÐıó§¼Ò

IHF³Ä·úËÜÁÏÀëÐıð²×°³ß´ç£º

IHFÐͳķúËÜÁÏÀëÐıÃ,³Ä·úÀëÐıùæ¸ñ£¬³Ä·úÀëÐıü۸ñ£¬³Ä·úÀëÐıó§¼Ò

IHF³Ä·úËÜÁÏÀëÐıð²×°Ê¾Òâͼ£º

IHFÐͳķúËÜÁÏÀëÐıÃ,³Ä·úÀëÐıùæ¸ñ£¬³Ä·úÀëÐıü۸ñ£¬³Ä·úÀëÐıó§¼Ò

IHFÎÔʽ³Ä·úËÜÁÏÀëÐıð²×°×¢ÒâÊÂÏ

¡¡1¡¢±ÃµÄ°²×°ÊÇ·ñºÏÀí£¬¶Ô±ÃµÄÕý³£ÔËÐÐÓëʹÓÃÊÙÃüÓм«ÆäÖØÒªµÄÓ°Ï죬¹Ê°²×°ºÍУÕý±ØÐë×Ðϸ½øÐС£
¡¡2¡¢¶ÔÕÕ°²×°³ß´çÔ¤ÂñºÃµ×½ÅÂÝ˨£¬×öºÃ»ìÄýÍÁ»ù´¡¹¤×÷¡£
¡¡3¡¢´ý»ù´¡Ë®ÄàÄý¹Ìºó£¬½«±Ã°²×°»ù´¡ÉÏ£¬Ó¦ÓÃˮƽÒǼì²é±ÃºÍµç»úÖáµÄˮƽÇé¿ö£¬È粻ˮƽ£¬Ó¦ÓõæÌúµ÷ÕýÖ±ÖÁˮƽ£¬µ÷Í׺óÅ¡½ôµ×½ÅÂÝĸ£¬
¡¡4¡¢¼ì²é±ÃµÄת¶¯²¿¼þÊÇ·ñÓп¨×¡²ÁÅöÏÖÏó,Ó¦Ñϸñ¼ì²é±ÃÖáÓëµç»úµÄͬÖá¶È,¿ÉÓñ¡Æ¬µ÷ÕûʹÆäͬÐÄ,×îºóÓÃÊÖת¶¯ÁªÖáÆ÷,ת¶¯ÇáËɾùÔÈÎÞ²ÁÅöÏÖÏóÔòΪÕý³£¡£
¡¡5¡¢±ÃµÄÎüÈëºÍͳö¹Ü·ӦÓи÷×ÔµÄÖ§¼Ü£¬²»ÔÊÐí¹Ü·µÄÖØÁ¿Ö±½ÓÓɱÃÀ´³ÐÊÜ£¬ÒÔÃâ°Ñ±Ãѹ»µ£¬
¡¡6¡¢±ÃµÄ°²×°Î»ÖøßÓÚÒºÃæ(ÔڱõÄÎü³ÌÔÊÐí·¶Î§ÄÚ)ʱ£¬Ó¦ÔÚÎüÈë¹Ü·¶Ë²¿°²×°Éϵ׷§£¬²¢ÔÚÅųö¹Ü·ÉÏÉèÖùàÒºÂݿ׻ò·§ÃÅ£¬¹©±ÃÆð¶¯Ç°¹àÒºÖ®Ó㻱õݲװλÖõÍÓÚÒºÃæÊ±£¬Ó¦ÔÚÎüÈë¹Ü·Éϰ´×°¿ØÖÆ·§Ãź͹ýÂË×°Öã¬ÒÔ·ÀÖ¹ÔÓÎïÎüÈë±ÃÄÚ£¬¹ýÂËÃæ»ýÓ¦´óÓÚ¹ÜÂ·Ãæ»ýµÄ3-4±¶¡£
¡¡7¡¢Ñï³Ì¸ßµÄ±ÃÔÚ³ö¿ÚÁ÷Á¿¿ØÖÆ·§ÃŵÄÍâ¶Ë¹Ü·ÉÏ»¹Ó¦°²×°ÄæÖ¹·§£¬ÒÔ·ÀֹͻȻÍ£»úʱµÄË®´¸ÆÆ»µ¡£
¡¡8¡¢±ØÐë±£Ö¤±ÃµÄ°²×°¸ß¶È·ûºÏ±ÃµÄÆûÊ´ÓàÁ¿£¬²¢¿¼ÂǹÜ·Ëðʧ¼°½éÖÊζȡ£ 

IHF³Ä·úËÜÁÏÀëÐıÃÔËÐÐÓë±£Ñø£º

±ÃµÄÆð¶¯¡¢ÔËתÓëÍ£Ö¹
¡¡1£® ±ÃÆð¶¯Ç°Ó¦½«±ÃÄÚ¹àÂú¼Ó×ãÊäË͵ÄÒºÌ壬ÑϽûÎÞÒºÆð¶¯¡£
¡¡2£® ¹Ø±Õ³ö¿Ú·§ÃÅ£¬½ÓͨµçÔ´ºóÂíÉϼì²é±ÃµÄתÏò±ØÐë°´±ÃµÄתÏò¼ýÍ·Ò»Ö£¬ÑϽûÄæÏòÔËת£¬
¡¡3£® ±ÃÆð¶¯ºó´ïµ½Õý³£×ªËÙʱ£¬ÔÙÖð½¥´ò¿ª³ö¿Ú·§ÃÅ£¬²¢µ÷½Úµ½ËùÐèÒªµÄ¹¤¿öͶÈëÔËÐС£ÔÚͳö¹Ü·Éϵķ§ÃŹرÕÇé¿öÏ£¬±ÃÁ¬Ðø¹¤×÷µÄʱ¼ä²»Äܳ¬¹ý3·ÖÖÓ¡£
¡¡4£® Í£»úʱӦÏȽ«³ö¿ÚµÄ·§ÃŹرգ¬È»ºóÔÙÇжϵçÔ´¡£
άÐÞÓë±£Ñø
¡¡1£® ¶¨ÆÚ¼ì²é±ÃºÍµç»ú£¬¸ü»»Ò×ËðÁã¼þ¡£
¡¡2£® ¾­³£×¢Òâ¶ÔÖá³ÐÏä¼Ó×¢ÓÅÖʸƻùÈó»¬Ö¬£¬ÒÔ±£ÏÂÖá³ÐÁ¼ºÃµÄÈó»¬×´Ì¬¡£
¡¡3£® ³¤ÆÚÍ£»ú²»Ê¹ÓÃʱ£¬³ý½«±ÃÄÚ¸¯Ê´ÐÔÒºÌå·Å¾»Í⣬¸üӦעÒâ¸÷²¿¼þ¼°±ÃÄÚÁ÷µÀµÄÇåÏ´¸É¾»£¬²¢ÇжϵçÔ´¡£
¡¡4£® ±ÃÑϽû¿ÕÔØÔËת¡£
¡¡5£® ½éÖÊÖÐÈ纬ÓйÌÌå¿ÅÁ£Ê±£¬Ó¦ÔÚ±ÃÈë¿Ú´¦Ðë¼Ó¹ýÂËÆ÷¡£ 

IHF³Ä·úËÜÁÏÀëÐıùÊÕÏÔ­Òò¼°Åųý·½·¨£º

¹ÊÕÏÏÖÏó

Ô­Òò·ÖÎö

Åųý·½·¨

±Ã²»³öÒºÌå

1.µç»úתÏò²»¶Ô
2.±ÃÌåÄÚ´¢Òº²»×ã
3.ÎüÈë¹ÜÄÚÓÐ¿ÕÆøÂ©Èë

1.µ÷ÕûתÏò
2.ÖØÐ¼Ó×ãÒºÌå
3.Åųý¿ÕÆøÌå

±Ã²»ÎüÒºÌå

1.µ×·§Ã»Óдò¿ª»ò¶ÂÈû
2.Îü³ÌÌ«¸ß»òÎüÈë¹Ü·̫³¤
3.ÎüÈë¹Ü·ÓÐÔÓÎïÖʶÂÈû

1.УÕý»ò¸ü»»µ×·§
2.½µµÍÎü³Ì»òËõ¶Ì¹Ü·
3.Çå³ý¶ÂÈûÔÓÎï

±ÃÁ÷Á¿²»×ã

1.Ò¶ÂÖËð»µ
2.ÎüÈë»ò³ö¿Ú²¿·Ö±»¶ÂÈû
3.¹¦Âʲ»×ãתËÙÌ«µÍ

1.¸ü»»Ò¶ÂÖ
2.Çå³ý¶ÂÈûÔÓÎï
3.¼ì²éµç»úÌá¸ßתËÙ

±ÃÑï³Ì²»×ã

1.Ò¶ÂÖËð»µ
2.ÊäËͽéÖÊÄÚÓÐ¿ÕÆø
3.תËÙ²»¹»

1.¸ü»»Ò¶ÂÖ
2.ÖØÐ¹à×¢ÒºÌå»òÅųý¿ÕÆø
3.¼ì²éµç»úÌá¸ßתËÙ

ÔëÒô»òÕñ¶¯

1.±ÃÖáÓëµç»úÖ᲻ͬÐÄ
2.µ×½ÅÂÝĸËɶ¯
3.Îü³ÌÌ«¸ß

1.УÕý±ÃÓëµç»úͬÖá¶È
2.Å¡½ôµ×½ÅÂÝĸ
3.½µµÍ°²×°¸ß¶È

Öá³ÐÎÂÉý¹ý¸ß

1.Öá³ÐËð»µ
2.Èó»¬Ö¬±äÖʸÉÔï»òȱÉÙ

1.¸ü»»
2.¸ü»»¡¢¼Ó×¢Èó»¬Ö¬

±Ãй©

1.»úеÃÜ·â¼þËð»µ
2.Á¬½ÓÂÝ˨ÓÐËɶ¯ÏÖÏó

1.¸ü»»
2.Å¡½ô¸÷²¿Î»ÂÝ˨

Ïà¹Ø¹Ø¼ü´Ê£ºIHFÐͳķúËÜÁÏÀëÐıÃ,³Ä·úÀëÐıÃ

¶©»õÇ뾡Á¿Ìṩ£º

1.ÐͺÅ2.¿Ú¾¶3.Ñï³Ì£¨m£©4.Á÷Á¿5.µç»ú¹¦ÂÊ£¨KW£©6.תËÙ£¨R/min£©7.²ÄÖÊÊÇ·ñ´ø¸½¼þ8.µçѹ£¨V£©

IHFÐͳķúËÜÁÏÀëÐıÃ,³Ä·úÀëÐıùæ¸ñ£¬³Ä·úÀëÐıü۸ñ£¬³Ä·úÀëÐıó§¼Ò

¸Ðл·ÃÎÊȪ´ï£¬ÎÒ¹«Ë¾Ö÷ÒªÉú²ú¹ÜµÀ±Ã£¬×ÔÎü±Ã£¬ÅÅÎ۱õȲúÆ·

Ïà¹Ø²úÆ·£º

ISWH²»Ðâ¸ÖÎÔʽÀëÐıàÎÔʽÀëÐıÃȪ´ïÉú²ú£¬³§¼ÒÖ±Ïú IHF³Ä·úÀëÐıàFSBºÏ½ð·úËÜÁÏÀëÐıàISWÎÔʽÀëÐıÃ

DGÐ͸ßѹÎÔʽÀëÐıà ÀëÐıÃ:ISÐÍÎÔʽÀëÐıà ÀëÐıÃ:µ¥¼¶Ë«ÎüÎÔʽÀëÐıà ISWRÎÔʽÈÈË®¹ÜµÀ±Ã 

 

²úÆ·ËÑË÷:
¹ÜµÀ±ÃϵÁÐØ­¹ÜµÀ±ÃÑ¡ÐÍ
ÀëÐıÃϵÁÐØ­ÀëÐıÃÑ¡ÐÍ
×ÔÎü±ÃϵÁÐØ­×ÔÎü±ÃÑ¡ÐÍ
ÅÅÎÛ±ÃϵÁÐØ­ÅÅÎÛ±ÃÑ¡ÐÍ
¸ôĤ±ÃϵÁÐØ­¸ôĤ±ÃÑ¡ÐÍ
Âݸ˱ÃϵÁÐØ­Âݸ˱ÃÑ¡ÐÍ
·§ÃÅÐÍºÅØ­·§ÃÅÑ¡ÐÍ
Ë®±ÃÅä¼þ

ÓÀ¼ÎÏØÈª´ï±Ã·§ÖÆÔìÓÐÏÞ¹«Ë¾Î»ÓÚ“Öйú±Ã·§Ö®Ïç”Õã½­Ê¡ÎÂÖÝÊÐÓÀ¼ÎÏØê±±±Õò¡£ÎÒ¹«Ë¾ÓµÓÐרҵµÄÉú²ú¾­Ñ飬רҵÉú²ú¼°ÏúÊÛµÄÓи÷Àà¹ÜµÀ±Ã£¬ÀëÐıã¬×ÔÎü±Ã£¬¸ôĤ±ÃµÈ±Ã·§²úÆ·¡£

¹«Ë¾£ºÓÀ¼ÎȪ´ï±Ã·§ÖÆÔìÓÐÏÞ¹«Ë¾
ÁªÏµÈË£ºÐí¸ßÇ¿
ÊÖ»ú£º18968989982
µç»°£º0577-66999097 0577-66999098
´«Õ棺0577-66999098
µØÖ·£ºÕã½­Ê¡ÎÂÖÝÊÐÓÀ¼ÎÏØê±±±ÕòÂëµÀ¹¤ÒµÇø
Óʱࣺ325102
꿅᣼http://www.94651.cn
ÓÊÏ䣺quandabf@163.com
ÈÈÃŲúÆ·£º ISG¹ÜµÀÀëÐıà | ZWP²»Ðâ¸Ö×ÔÎü±Ã | ISWRÐÍÎÔʽÈÈË®¹ÜµÀÀëÐıà | ISWDÐÍÎÔʽ¹ÜµÀÀëÐıà | GDLÁ¢Ê½¶à¼¶¹ÜµÀ±Ã | IRGÈÈË®¹ÜµÀ±Ã | СÐͲ»Ðâ¸Ö×ÔÎü±ÃSFBXÐÍ | ÎÔʽÀëÐıÃȪ´ïÉú²ú£¬³§¼ÒÖ±Ïú | 2026ÄêSGPB·À±¬²»Ðâ¸Ö¹ÜµÀ±Ã³§¼Ò±¨¼Û | DGÐ͸ßѹÎÔʽÀëÐıà | ÈÈË®¹ÜµÀ±ÃSGRÐÍ | QBY3ÂÁºÏ½ðÆø¶¯¸ôĤ±Ã | QBYÖýÌúÆø¶¯¸ôĤ±Ã | QBY¹¤³ÌËÜÁÏÆø¶¯¸ôĤ±Ã | QBY²»Ðâ¸ÖÆø¶¯¸ôĤ±Ã | FSÐͲ£Á§¸Ö¹ÜµÀÀëÐıà | ISWHÎÔʽ²»Ðâ¸Ö¹ÜµÀÀëÐıà | ISÎÔʽÀëÐıà | SHÐ͵¥¼¶Ë«ÎüÎÔʽÀëÐıà | CHLÇáÐͲ»Ðâ¸Ö¶à¼¶ÀëÐıà | YWÒºÏÂÅÅÎ۱à | ZWÎÞ¶ÂÈû×ÔÎüÅÅÎ۱à | ISWRÎÔʽÈÈË®ÀëÐıà |
ÓÀ¼ÎÏØÈª´ï±Ã·§ÖÆÔìÓÐÏÞ¹«Ë¾ °æÈ¨ËùÓÐ µØÖ·£ºÕã½­Ê¡ÎÂÖÝÊÐÓÀ¼ÎÏØê±±±ÕòÂëµÀ¹¤ÒµÇø Óʱࣺ325102
µç»°£º0577-66999097 0577-66999098 ´«Õ棺0577-66999098 ÊÖ»ú£º18968989982 ÁªÏµÈË£ºÐí¸ßÇ¿
ÍøÖ·£ºhttp://www.94651.cnICP±¸°¸ºÅ£ºÕãICP±¸13025691ºÅ-1 GoogleSitemap
µç»°£º
0577-66999097
0577-66999098
´«Õ棺
0577-66999098
ÓÊÏ䣺
quandabf@163.com
Óʱࣺ
325102
µã»÷ÕâÀï¸øÎÒ·¢ÏûÏ¢