快活林楼凤论坛最新消息,风楼阁交友平台个人接单上门服务,青岛龙凤茶楼论坛网51一品茶楼论坛,一品楼qm论坛最新活动

 
·加入收藏 ·询价留言
 
首 页 公司简介 产品展示 公司新闻 技术文章 资料下载 联系我们
 首页 > 产品展示 > 水泵配件 > 水泵底阀 回流阀 单向阀
 
水泵底阀 回流阀 单向阀
放大图片
产品名称: 水泵底阀 回流阀 单向阀
产品型号: 水泵底阀
产品特点: 该阀门是一种节约能源的阀,一般安装在水泵水下吸管的底端.限制水泵管内液体返回水源,起着只进不出的功能
上一个产品:[ 隔膜气压罐 消防稳压罐 隔膜罐 胶囊稳压罐 ]
下一个产品:[ QZD直接启动控制柜 水泵控制柜 ]
产品描述

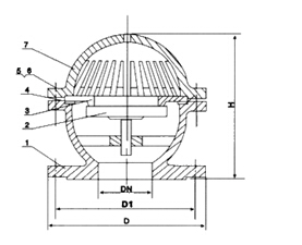
水泵底阀概述: 
阀门是一种节约能源的阀,一般安装在水泵水下吸管的底端.限制水泵管内液体返回水源,起着只进不出的功能.阀盖上有很多个进水品和加强筋,起到了不易堵塞,主要应用在抽水的管路上.水道和支承的作用.口径有单瓣,双瓣,多瓣型.有法兰连接和螺纹连接. 
结构与原理: 

本阀由阀估,阀瓣,阀盖,衬套,密封圈等零件组成,详见下图水源的水从阀盖进入阀体.在流体的压力作用下,阀瓣打开水,当示停后出口管内的压力将阀瓣迅速关闭,液体将不会倒回水源,起到了即畅通抽水又节约水能损失的作用. 

水泵底阀性能规范: 
公称压力:PN0.25MPa 
公称通径:DN15~DN350 
适用介质:水、油、及非腐蚀性介质 
适用温度:≤50 o C 
主要部件材料:灰铸铁、丁腈橡胶 
执行标准:Q/12 NJ3583-2001 
试验标准:GB/T13927-1992
水泵底阀主要外形尺寸: 
型号 公称通径 
DN(mm)
H D D1 D2 Z-d 适用介质 适用温度
H42X 32 105 120 90 70 4-φ14 水、油、液体

不锈钢 
≤150℃

40 110 130 100 80 4-φ14
50 125 140 110 90 4-φ14
65 150 160 130 110 4-φ14
80 175 185 150 128 4-φ18
100 190 205 170 148 4-φ18
125 240 235 200 178 8-φ18
150 280 260 225 202 8-φ18
200 360 315 280 258 8-φ18

水泵底阀

订货请尽量提供:1.型号2.口径3.扬程(m)4.流量5.电机功率(KW)6.转速(R/min)7.电压(V)8.材质是否带附件

欢迎您访问我们永嘉泉达的网站【www.94651.cn】如有任何疑问.我公司专业生产管道泵,离心泵,排污泵等产品。您可以致电给我们,电话:0577-66999097、66999098,我们一定会尽心尽力为您提供优质的服务。

产品搜索:
管道泵系列丨管道泵选型
离心泵系列丨离心泵选型
自吸泵系列丨自吸泵选型
排污泵系列丨排污泵选型
隔膜泵系列丨隔膜泵选型
螺杆泵系列丨螺杆泵选型
阀门型号丨阀门选型
水泵配件

永嘉县泉达泵阀制造有限公司位于“中国泵阀之乡”浙江省温州市永嘉县瓯北镇。我公司拥有专业的生产经验,专业生产及销售的有各类管道泵,离心泵,自吸泵,隔膜泵等泵阀产品。

公司:永嘉泉达泵阀制造有限公司
联系人:许高强
手机:18968989982
电话:0577-66999097 0577-66999098
传真:0577-66999098
地址:浙江省温州市永嘉县瓯北镇码道工业区
邮编:325102
网址:http://www.94651.cn
邮箱:quandabf@163.com
热门产品: ISG管道离心泵 | ZWP不锈钢自吸泵 | ISWR型卧式热水管道离心泵 | ISWD型卧式管道离心泵 | GDL立式多级管道泵 | IRG热水管道泵 | 小型不锈钢自吸泵SFBX型 | 卧式离心泵泉达生产,厂家直销 | 2026年SGPB防爆不锈钢管道泵厂家报价 | DG型高压卧式离心泵 | 热水管道泵SGR型 | QBY3铝合金气动隔膜泵 | QBY铸铁气动隔膜泵 | QBY工程塑料气动隔膜泵 | QBY不锈钢气动隔膜泵 | FS型玻璃钢管道离心泵 | ISWH卧式不锈钢管道离心泵 | IS卧式离心泵 | SH型单级双吸卧式离心泵 | CHL轻型不锈钢多级离心泵 | YW液下排污泵 | ZW无堵塞自吸排污泵 | ISWR卧式热水离心泵 |
永嘉县泉达泵阀制造有限公司 版权所有 地址:浙江省温州市永嘉县瓯北镇码道工业区 邮编:325102
电话:0577-66999097 0577-66999098 传真:0577-66999098 手机:18968989982 联系人:许高强
网址:http://www.94651.cnICP备案号:浙ICP备13025691号-1 GoogleSitemap
电话:
0577-66999097
0577-66999098
传真:
0577-66999098
邮箱:
quandabf@163.com
邮编:
325102
点击这里给我发消息