YBÊÖÌáʽµç¶¯ÓÍͰ±Ã£¬µç¶¯ÓÍͰ±Ã£¬YBYBÐÍÓÍͰ±Ã
YBÐÍÊÖÌáʽµç¶¯ÓÍͰ±Ã--²úÆ·¸ÅÊö
YBYBÊÖÌáʽÓÍͰ±Ã£¬ÊÊÓÃÓÚ¹¤³§Óд«±¬ÄÜÁ¦²»¸ßÓÚB¼¶£¬ÒýȼζÈ×é±ð²»µÍÓÚT4×éµÄ¿ÉȼÐÔÆøÌå»òÕôÆøÓë¿ÕÆøÐγɵı¬Õ¨ÐÔ»ìºÏÎïµÄ³¡Ëù¼°Ò»°ã³¡Ëù´ÓͰ³é³öºÍÊäËÍÆûÓÍ¡¢ÃºÓÍ¡¢²ñÓÍ¡¢»úÓÍ¡¢Ê³ÓÃÓ͵ȸ¯Ê´ÐÔÒºÌå¡£
YBYBÐÍÊÖÌáʽµç¶¯ÓÍͰ±Ã--ÐͺÅÒâÒå

YBYBÐÍÊÖÌáʽµç¶¯ÓÍͰ±Ã--¹¤×÷Ìõ¼þ¼°¼¼ÊõÖ¸±ê
»·¾³¿ÕÆøÎ¶ȣº-20¡æ-40¡æ
º£°Î²»³¬¹ý£º1000M
µç ѹ£º2 2 0V£»ÆµÂÊ£º5 0HZ
µç»ú¹¦ÂÊ£º1 2 0W
Á÷ Á¿£º40Éý£¯·Ö
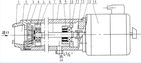
YBYBÐÍÊÖÌáʽµç¶¯ÓÍͰ±Ã--½á¹¹Í¼
 |
1 |
±ÃÕÖ |
8 |
±ÃÌå |
|
2 |
¹ýÂËÍø |
9 |
¹Ç¼ÜÃÜ·â |
|
3 |
±Ã×ì |
10 |
Öá³Ð |
|
4 |
Ò¶ÂÖ |
11 |
Öá³Ð×ù |
|
5 |
ÒìҶƬ֧¼Ü |
12 |
ÁªÖáÆ÷ |
|
6 |
Öá³Ð |
13 |
±Ã×ù |
|
7 |
±ÃÖá |
14 |
µç¶¯»ú |
YBYBÐÍÊÖÌáʽµç¶¯ÓÍͰ±Ã--½á¹¹ËµÃ÷
YBYBÓÍͰ±Ã£¬ÓÉYBYB63 1 2¸ô±¬ÐÍÓÍͰµç±ÃµçÈÝÔËתÒì²½µç¶¯»ú´ø¶¯¡£±Ãͨ¹ý±Ã×ùÓëµç»úÁª½Ó£¬µç»úÖáÓë±ÃÖáÊÇÓõ¯ÐÔÁªÖáÆ÷Áª½Ó¡£±ÃÖáÁ½¶ËÓÉÖá³ÐÖ§³Å£¬É϶ËÖá³Ð×ùÄÚÉèÓйǼÜʽÃܷ⣬¿É·ÀÖ¹ÒºÌå½øÈëµç»ú²¿·Ö¡£Ò¶ÂִӱõÄÎüÈë¿Ú¿´ÎªÄæÊ±Õë·½ÏòÐýת¡£
YBYBÐÍÊÖÌáʽµç¶¯ÓÍͰ±Ã--ÐÔÄܲÎÊý
¹æ¸ñ
ÐͺŠ|
³ö¿Ú
£¨mm£© |
Á÷Á¿
£¨L/min£© |
Ñï³Ì
£¨m£© |
¹¦ÂÊ
£¨W£© |
µçѹ
£¨V£© |
²ÄÖÊ |
|
JK-3P |
20£¨3/4¨•£© |
35-40 |
£¼2 |
120 |
220 |
²»Ðâ¸Ö |
|
JK-3B |
20£¨3/4¨•£© |
35-40 |
£¼2 |
120 |
220 |
ÂÁºÏ½ð |
|
YBYB-40 |
20£¨3/4¨•£© |
35-40 |
£¼2 |
120 |
220 |
²»Ðâ¸Ö |
|
YBYB-40P |
20£¨3/4¨•£© |
35-40 |
£¼2 |
120 |
220 |
ÂÁºÏ½ð |
YBYBÐÍÊÖÌáʽµç¶¯ÓÍͰ±Ã--ʹÓÃ˵Ã÷
1 µç¶¯»úµÄʹÓã¬Ïê¼ûYBYB6312¸ô±¬ÐÍÓÍͰµç±ÃµçÈÝÔËתÒì²½µç¶¯»ú²úƷʹÓÃά»¤ËµÃ÷Êé¡£
2 ÓÍͰ±ÃʹÓÃǰӦ½ÓͨµçÔ´²¢Å¤×ªµç»ú¿ª¹Ø£¬¼ì²éµç±ÃÔËתÊÇ·ñÕý³££¬Ò¶ÂÖÐýת·½ÏòÊÇ·ñÕýÈ·¡£
3 ÓÍͰ±ÃÓ¦ÇáÇá²åÈëºÍ³é³öÓÍͰ£¬±ÜÃâ±ÃÌåÓëÓÍͰ³öÓͿڱßÖ®¼ä¼¤ÁÒÄ¥²Á¡£ ·
4 ת¶¯µç»ú¿ª¹Ø´ý±ÃÆô¶¯ºó£¬Ó¦¼ì²éÁ÷Á¿ºÍÑï³ÌÊÇ·ñÕý³££¬²¢¼ì²éµç»úÔËתºÍÎÂÉýµÈÇé¿ö¡£
5 ³éÍêһͰÓͺóÓ¦ÂíÉÏÍ£»ú£¬Èçµç±Ã½Ï³¤Ê±¼ä²»¹¤×÷ʱӦ½«µçÁ÷¶Ï¿ª¡£ÓÍͰ±ÃÇмɸÉÔËת¡£
YBYBÐÍÊÖÌáʽµç¶¯ÓÍͰ±Ã--ʹÓ÷½·¨
1.ÏȽ«³öÓ͹ܻ¥ÏàÁ¬½Ó£¬²¢Å¡½ôÂÞÐý
2.°Ñ±ÃÌå²åÈëÓÍͰ
3.²åÉÏ220VµçÔ´
4.ÍÆ¶¯ÊÖ±úÉϵç»ú¿ª¹Ø£¬¼´¿É³öÓÍ
YBYBÐÍÊÖÌáʽµç¶¯ÓÍͰ±Ã--ά»¤ÐÞÀí
1 ÓÍͰ±ÃÓ¦¶¨ÆÚ¼ì²éÇåÀí£¬Íâ¿Ç²»µÃ¶Ñ»ý»Ò³¾ºÍÎÛÎï¡£
2 ÓÍͰ±ÃÒ»°ãÔÚÔËÐÐ5 0 0 0Сʱ×óÓÒÓ¦ÇåÏ´Ò»´ÎÖá³Ð£¬²¢³ö¿ÚZ13ïñÜõÈó»¬õ¥£¬ÓÃÁ¿ÎªÖá³Ð¿ÕÇ»µÄ1£¯2×óÓÒ¡£µ±Öá³ÐÊÙÃüÖÕÁËʱӦ¼°Ê±¸ü»»£¬É϶ËÖá³Ð¹æ¸ñΪ8 0 0 1 8£¬É϶ËΪ101¡£
3 ÈçÐèÒª»»Ò¶ÂÖʱ£¬±ØÐëµ÷ÕûºÃÒ¶ÂÖÓë±Ã×죬ҶÂÖÓë±ÃÌåÖ®¼äµÄ¼ä϶¡£