Ãû³Æ£º2XÐÍÐýÆ¬Ê½Õæ¿Õ±Ã
2XÐÍÐýÆ¬Ê½Õæ¿Õ±ÃµÄ²úÆ·ÓÃ;¼°Ê¹Ó÷¶Î§£º
¡¡¡¡ £±¡¢2XÐÍÐýÆ¬Ê½Õæ¿Õ±ÃÊÇÓÃÒÔ³é³ýÌØ¶¨ÃÜ·âÈÝÆ÷Ä򵀮øÌ壬ʹ¸ÃÈÝÆ÷»ñµÃÒ»¶¨Õæ¿ÕµÄ»ù±¾É豸£¬ÓÉÓÚÏÖ´ú¿ÆÑ§¼¼ÊõµÄ¸ß¶È·¢Õ¹£¬Õæ¿Õ±ÃµÄÓ¦Óñ鼰¸÷¸ö¿ÆÑ§ÁìÓòºÍ¸÷ÖÖÆóÒµÊÂÒµµ¥Î»£¬¿É¹©Ò±½ð¡¢»¯¹¤¡¢ÇṤ¡¢Ê¯ÓÍ¡¢Ò½ÁÆ¡¢ÖÆÒ©¡¢Ó¡È¾¡¢µçÆ÷¡¢µçÕæ¿Õ¡¢°ëµ¼Ì塢ʳƷ¡¢Ô×ÓÄÜ¡¢·ÄÖ¯µÈ¿ÆÑлú¹Ø¡¢´óרԺУ¡¢¹¤¿óÆóÒµ×÷¿ÆÑкÍÉú²úÓë½Ìѧ֮Óá£
¡¡¡¡ £²¡¢ÓÉÓÚÐýÆ¬Ê½Õæ¿Õ±ÃÊÇÓúÚÉ«½ðÊôÖÆÔ죬¶øÇұȽϾ«ÃÜ£¬Õû¸ö±ÃµÄ¹¤×÷¶¼ÊÇÁªÏµÔÚÒ»ÆðµÄ£¬ËùÒÔÐýÆ¬Ê½Õæ¿Õ±Ã²»ÊÊÓÃÓÚ³é³ýº¬Ñõ¹ý¸ßµÄ¡¢Óж¾µÄ¡¢Óб¬Õ¨ÐԵĽþÊ´ºÚÉ«½ðÊôµÄºÍ¶ÔÕæ¿ÕÓÍÆð»¯Ñ§×÷Óõĸ÷ÖÖÆøÌ壬Ҳ²»¿É×öΪѹËõ»úºÍÊäËͱÃʹÓá£ÈçÓÐÆøÕò×°Öõı㬿ɳé³ýÒ»¶¨µØµÄ¿ÉÄýÆûÌå¡££¬
¡¡¡¡ 3¡¢ÐýÆ¬Ê½Õæ¿Õ±Ã¿ÉÒÔÓÃÀ´Ö±½Ó»ñµÃÕæ¿Õ¶ÈÔÚ10~3ÍÐÒÔϵÄÕæ¿Õ×÷Òµ£¬ÒÔ¼°ÅäºÏÆäËüÕæ¿Õ×÷ÒµÖ®Óá£
¡¡¡¡ 4¡¢ÐýÆ¬Ê½Õæ¿Õ±ÃÒ»°ãÔÚ²»µÍÓÚ5¡æµÄÊÒμ°²»¸ßÓÚ90%µÄÏà¶ÔζȵĻ·¾³ÄÚʹÓá£
2XÐÍÐýÆ¬Ê½Õæ¿Õ±ÃµÄ½á¹¹¼°ÔÀí£º
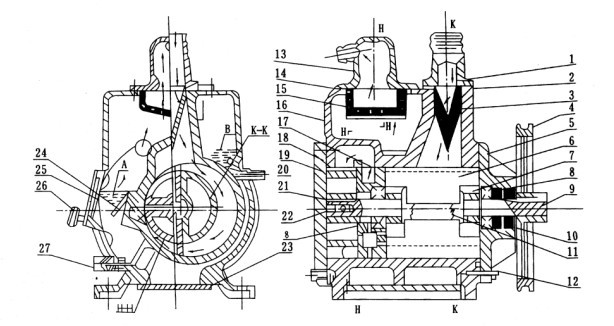
¡¡¡¡ 5¡¢Í¼1ÊÇÐýÆ¬Ê½Õæ¿Õ±Ã±ÃÔÀíͼ£¬×ª×Ó3¼°7Óë¸ßÕæ¿ÕÊÒÍâ1¼°µÍÕæ¿ÕÊÒ6ÏàÇУ¬×ª×Ó3¼°7ÑØ¼ýÍ··½ÏòÐýת£¬´ø¶¯×ª×Ó²ÛÄÚ»¬¶¯µÄתƬÐýת,ÓÉÓÚµ¯»É9¼°ÀëÐÄÁ¦µÄ×÷ÓÃ, תƬÍâ¶Ë½ôÌù¸ßµÍÕæ¿ÕÊÒµÄÄÚ±íÃæ»¬¶¯,°Ñת×ÓÓë¸ßµÍÕæ¿ÕÊÒËùÐγɵÄÔÂÍÝÐοռä´Ó½øÆø×ì2µ½ÅÅÆø·§ÃÅ5ºÍ´Ó¹ýÆø¹Ü4µ½ÅÅÆø·§ÃÅ10Ö®¼ä·Ö¸ô¿ªÀ´,Ðγɶþ»òÈý¸öÈÝ»ý,²¢ÇÒÖÜÆÚÐԵĴóС±ä»¯,µ±ÔÚͼʾÐýÆ¬Ê½Õæ¿Õ±ÃλÖüÌÐøÐýתʱA¼°CÈÝ»ýÖð½¥Ôö´ó,±»³éÈÝ»ýÆøÌåû½øÆø×ì½øÈë±ÃÄÚ,ͬʱB¼°DÈÝ»ýÖð½¥¼õÉÙ,ѹÁ¦Éý¸ß,Ëæºó³å¿ªÅÅÆø·§ÃÅ5¼°10,½«ÆøÌåÅųöÕæ¿ÕÊÒÍâ,ÆøÌå¾¹ýÓÍÃæ¶øÅÅÓÚ´óÆøÖ®ÖÐ,ÒòΪÓÍÊÇÑÍסÅÅÆøÃŵÄ,¹ÊÄÜ·ÀÖ¹ÆøÌå·µ»ØÕæ¿ÕÊÒ¡£µ±³éÆøÑ¹Ç¿½Ï¸ßʱ,¸ßµÍÕæ¿ÕÊҵķ§ÃŶ¼ÅÅÆø,Ï൱ÓÚµ¥¼¶±Ã,µ±Õæ¿Õ¶È½Ï¸ßʱ,È«²¿ÆøÌå½øÈëÕæ¿ÕÊÒ,ÔÙÓÉÅÅÆø·§ÃÅ10Åųö,´Ëʱ¶þ¼¶´®Áª¼´½øÈëË«¼¶±Ã¹¤×÷¡£
¡¡¡¡ Èç±»³é³ýµÄÆøÌåÖк¬ÓнϸߵÄÕôÆûÆøÌåʱ£¬ÔÚÆøÌåÊܵ½Ñ¹Ëõ¶øÆäÕôÆûµÄ·Öѹǿ³¬¹ý´ËÕôÆûÔÚ±ÃÄÚζÈϵı¥ºÍѹǿʱ£¬´ËʱÕôÆø±»Ñ¹Ëõ³ÉΪҺÌ壬ÐýÆ¬Ê½Õæ¿Õ±ÃÎÞ·¨Åųö£¬¶ø»ìÔÚÕæ¿ÕÓÍÄÚ£¬Ê¹±ÃµÄÐÔÄÜ´ó´ó½µµÍ¡£Èç¹û²ôÈëÊÊÁ¿µÄ¿ÕÆø£¬Ê¹ÕôÆûÔÚÊܵ½Ñ¹Ëõʱ£¬Æä·ÖѹǿҲµÍÓÚ±Ãεı¥ºÍѹǿ£¬ÔòÕôÆûÔÚ±ä³ÉÒºÌåǰ¾ÍÄܱ»Åųö±ÃÍâÈ¥£¬¹Ê±¾ÏµÁÐ2X-4ÒÔÉϵıö¼×°ÓÐÄÜ·ÅÈëÒ»¶¨Á¿ÆøÌåµÄ²ôÆø·§11¼ûͼ1

£¨Í¼1£©¸½±í
|
1
|
¸ßÕæ¿ÕÊÒÍâ
|
2
|
½øÆø×ì
|
3
|
ת×Ó
|
4
|
¹ýÆø¹Ü
|
5
|
ÅÅÆø·§ÃÅ
|
|
6
|
µÍÕæ¿ÕÊÒ
|
7
|
|
8
|
¹ÎƬ
|
9
|
µ¯»É
|
10
|
|
¡¡¡¡£¶¡¢2XϵÁеĸ÷ÖÖÕæ¿Õ±ÃµÄÍâÐκͽṹÊÇ»ù±¾ÏàͬµÄ£¬±ÃÓɵç»ú¾Èý½ÇƤ´ø´«¶¯µ½×ª×Ó¡£µç¶¯»úºÍ±ÃÓÃÂݶ¤¿¨°å¹Ì¶¨ÔÚµ×ÅÌÉÏ¡£
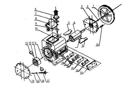
2XÐýÆ¬Ê½Õæ¿Õ±ÃÓɱÃÌå¡¢¸ßת×Ó¡¢µÍת×Ó¡¢Ç°¶Ë°å¡¢ºó¶Ë°å¡¢¸ßתƬ¡¢µÍתƬ¡¢ÅÅÆø·§¡¢ÅÅÆøÕÖ¡¢ÊÓ¾µµÈÁ㲿¼þ×é³É¡£¼ûͼ2¡¢Í¼3¡£
¡¡¡¡ ÔÚ2XÐýÆ¬Ê½Õæ¿Õ±ÃÌåÄÚѹÈëÒ»¸öÖиô°å¡¢½«Õæ¿Õ±Ã¿Ç·Ö³É¸ßµÍÕæ¿ÕÊÒ£¬¸÷ÊÒ¶¼ÓÐÅÅÆøÃÅ£¬¸ßÕæ¿ÕÊÒÅÅÆøÓëµÍÕæ¿ÕÆøÏàͨ¡£¸ßת×Óǰ¶ËÉì³öǰÖ᣻ºó¶ËÉì³öºóÖᡣǰÖáͨ¹ýǰ¶Ë°åµÄÖá³ÐÖ§³Ö¡¢¾¹ýÓÍÃÜ·âÊÒ¶øÉì³öǰ¶Ë°åÍ⣺ºóÖáÓÉÖиô°åÉϵÄÖá³ÐÖ§³Ö¡£¶øÉìÈëµÍÕæ¿ÕÊÒÄÚ£¬µÍÕæ¿ÕÊÒת×ÓÔò×°ÔÚºóÖáÉÏ¡¢¹Ê¸ßµÍת×Ó¾ùÓÉǰÖá´ø¶¯¡£¸ßµÍת×Ó¶¼ÓжԿªµÄ²Û×Ó£¬³Ê“T”ÐεÄÐýƬÓɵ¯»ÉÖ§³Å¿ª¶ø×°ÓÚ²ÛÄÚ¡£2XÐýÆ¬Ê½Õæ¿Õ±ÃµÄ½øÆø¿Ú´¦ÓйýÂËÍø£¬¶øÅÅÆø¿Ú´¦Óе²ÓÍÍø£¬ÊÓ¾µ×ó±ßÓвôÆø·§£¬Ï±ßÓзÅÓÍÈû¡£

2XÐÍÐýÆ¬Ê½Õæ¿Õ±Ã¸½±í
|
ÆøÌå·¾¶
|
3
|
¹ýÂËÍø
|
8
|
µ¯×Ó
|
13
|
ÅÅÆøÕÖ
|
18
|
ºó¶Ë°å
|
23
|
Ë®¸Ç°å
|
|
—→¸ßÕæ¿Õ·¾¶
|
4
|
Ƥ´øÂÖ
|
9
|
ǰÖá
|
14
|
ÅÅÆøÕÖµæ
|
19
|
µÍת×Ó
|
24
|
ÅÅÆø·§Æ¬
|
|
—→¸ßÕæ¿Õ·¾¶
|
5
|
ǰ¶Ë°å
|
10
|
ÓÍÃÜ·âÊÒ
|
15
|
µ²ÓÍÍø
|
20
|
ÀäÈ´Ë®½ÓÍ·
|
25
|
ÊÓ´°
|
|
1
|
½øÆø×ì
|
6
|
¸ßתƬ
|
11
|
µ¯»É
|
16
|
±Ã¿Ç
|
21
|
¼ü
|
26
|
²ôÆø·§
|
|
2
|
ÃÜ·âȦ
|
7
|
¸ßת×Ó
|
12
|
¶¨Î»Ïú¶¤
|
17
|
Öиô°å
|
22
|
µ×תƬ
|
27
|
·ÅÓÍÈû
|
2XÐÍÐýÆ¬Ê½Õæ¿Õ±Ã¸½±í
|
1
|
Ƥ´øÂÖ
|
6
|
ÅÅÆø¾×
|
11
|
µÍת×Ó
|
16
|
¸ÖÖé
|
21
|
·§Æ¬
|
|
2
|
¼ü
|
7
|
ÃÜ·âȦ
|
12
|
µ¯»É
|
17
|
ÊÖ±ú
|
22
|
µµ°å
|
|
3
|
ǰ¶Ë°å
|
8
|
ÅÅÆøÕÖ
|
13
|
µ×תƬ
|
18
|
·ÅÓÍÈû
|
23
|
Ó͸Ç
|
|
4
|
¸ßת×Ó
|
9
|
¹ýÂËÍø
|
14
|
ºó¶Ë°å
|
19
|
Ö½µæ
|
24
|
¶¨Î»Ïú¶¤
|
|
5
|
¸ßתƬ
|
10
|
±ÃÌå
|
15
|
µ¯»É
|
20
|
·§×ù
|
|
|
¡¡£·¡¢2XÐýÆ¬Ê½Õæ¿Õ±Ã³éÆø¹ý³Ì£º¼ûͼ2£¬ÆøÌåÓɽøÆø×ì½øÈë¸ßÕæ¿ÕÊÒ£¬Æð³õÊǸßѹǿ£¬¸ßµÍÕæ¿ÕÊÒ¶¼³äÂú´óÆø£¬Á½¸öÅÅÆøÃŶ¼´ò¿ªÅÅÆø¡£Ëæ×ų鯸µÄ½øÐУ¬ÆøÑ¹Ï½µ£¨¼´Õæ¿Õ¶ÈÌá¸ß£©£¬¸ßÕæ¿ÕÊÒѹÁ¦²»×ãÒÔÍÆ¿ªÅÅÆøÃÅ£¬ÆøÌå¾Öиô°å½øÈëµÍÕæ¿ÕÊÒ£¬´ËʱѹÁ¦Ò಻×ãÍÆ¿ªÅÅÆøÃÅ£¬µ«µÍÕæ¿ÕÊÒ½øÈëÓÐÒ»¶¨Á¿ÓÍ£¬°ïÖúÍÆ¿ªÅÅÆøÃÅ£¬ÆøÌåÒàËæÖ®Åųö¡£ÅųöµÄÆøÌ寽ÔÓ×ŵÄÓÍÁ££¬¾µ²ÓÍÍøÂ˶øÊ¹ÓÍ·ÖÀ룬ֻÓÐÆøÌåÅųö±ÃÍâ£¬ÆøÌå·¾¶¼ûͼ2¡£
¡¡£¸¡¢2XÐýÆ¬Ê½Õæ¿Õ±ÃÓÍÃÜ·âÊÒÀïµÄÓÍ£¬ÓÉÓͳØA¾Ç°¶Ë°åÉϵĿ׹©¸ø¡£µÍÕæ¿ÕÊÒÀïµÄÓÍ£¬ÓÉÓͳØA¾ºó¶Ë°åÉϵĿ׹©¸ø¡£¸ßÕæ¿ÕÊÒµÄÓÍ£¬ÓÉÖиô°åÉϵĿף¬Ñ»·¹©¸ø¡£2XÐýÆ¬Ê½Õæ¿Õ±Ãǰºó¶Ë¸ÇµÄÃÜ·âÊÇÓɱÃÌåÉϲ¿µÄÓͳØB¾±ÃÌå¶ËÃæÊҵĿ׶øÁ÷ÈëÓͲ۽øÐÐÃÜ·â¡£
2XÐÍÐýÆ¬Ê½Õæ¿Õ±ÃµÄÐÔÄܲÎÊý£º
|
|
2X-2
|
2X-4A
|
2X-8A
|
2X-8
|
|
2X-15A
|
2X-15
|
2X-30
|
2X-70
|
|
2
|
4
|
8
|
15
|
30
|
70
|
|
¼«ÏÞÕæ¿Õ
|
¹ØÆøÕò
¿ªÆøÕò
|
Pa£¨Torr£©
|
6×10-2£¨≤5×10-4£©110
|
|
6×10-1£¨5×10-3£©
|
£¨≤1×10£©
|
|
µç¶¯»ú¹¦ÂÊ£¨KW£©
|
0.37
|
0.55
|
1.1
|
1.5
|
3
|
5.5
|
|
ÎÂÉý£¨¡æ£©
|
≤40
|
|
½øÆø¿Ú¾¶£¨mm£©
|
18
|
25
|
40
|
40
|
65
|
80
|
|
תËÙ£¨r/min£©
|
450
|
590
|
¡¡¡¡¡¡450 ¡¡¡¡¡¡¡¡¡¡420
|
420
|
|
ÓÃÓÍÁ¿£¨L£©
|
0.7
|
1.0
|
2.0
|
2.8
|
3.0
|
4.2
|
|
ÔëÉùdB£¨A£©
|
68
|
≤68
|
≤70
|
≤75
|
≤78£¨¡«70£©
|
≤80£¨¡«75£©
|
|
ÍâÐγߴ磨cm£©
|
56×31×39
|
56×34×37
|
79×43×54
|
79×53×54
|
78×50×56
|
91×65×70
|
|
ÊÊÓõç´Å·§ÐͺÅ
|
DDC-JQ25
|
DDC-JQ40
|
DDC-JQ65
|
DDC-JQ80
|
|
ÖØÁ¿£¨kg£©
|
58
|
55
|
80
|
110
|
232
|
330
|
|
2XÐýÆ¬Ê½Õæ¿Õ±ÃÀäÈ´·½Ê½
|
×ÔÈ»ÀäÈ´
|
Ë®Àä
|
|
×ÔÈ»Àä
|
Ë®Àä
|
|
ÀäÈ´Ë®Á¿£¨L/min£©
|
-
|
£¾0.5
|
|
-
|
£¾0.8
|
£¾1
|
|
2XÐÍÐýÆ¬Ê½Õæ¿Õ±Ã×¢Ò⣺
£¨1£©Õæ¿Õ¶ÈÊÇÖ¸±»³éÈÝÆ÷ÄÚÊ£ÓàÆøÌåѹǿ£¬ÒÔ·ÖѹǿΪÎÒ³§³ö³§±ê×¼£¬×ÜѹǿΪ¸¨Öú±ê×¼£¬ÈÈż¼Æ²âµÄÊǸ÷ÖÖÕôÆûºÍÓÀ¾ÃÆøÌåµÄ×Üѹǿ£¬¶øÂóÊϱíÖ»Äܲâ³öÓÀ¾ÃÆøÌåÕ¼µÄ·Öѹǿ£¬¹Ê¶þ±íµÄÊýÖµÓÐÒ»¶¨µÄ²îÒì¡£
£¨2£©³éËÙ¶ÈÊǸù¾Ý¼¸ºÎ³ß´çËã³öµÄÔÚ´óÆøÑ¹Ç¿jʱ,ʵ¼Ê³éËÙÓ뼸ºÎ³éËÙ»ù±¾Ïà·ûºÏ,ÔÚ¸÷ÖÖ²»Í¬µÄѹǿʱ,³éËÙÓÐÒ»¶¨Ï½µ,³éËÙÓëѹÁ¦¹ØÏµ¼ûͼ4¡£
£¨3£©ÎÂÉýÊÇÖ¸±ÃÎÂÎȶ¨ºó£¬ÔÚÅÅÆø·§ÃÅ´¦µÄÓ͵ÄζÈÓëÊÒÎÂÖ®²î¡£
£¨4£©2XÐýÆ¬Ê½Õæ¿Õ±ÃÐͺűíʾ·½·¨£ºÁÐ2K—1£¬2´ú±íË«¼¶±Ã£¬K´ú±íÐýÆ¬Ê½Õæ¿Õ±Ã£¬Ò»ºáÏߺóÃæµÄÊý×Ö´ú±íÿÃëÖӵijéËÙ¡£
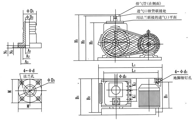
2XÐÍÐýÆ¬Ê½Õæ¿Õ±ÃµÄ°²×°³ß´ç±í£º

|
´úºÅÐͺÅ
|
φD1
|
φD2
|
φD3
|
Al
|
A2
|
A3
|
N1
|
N2
|
M
|
φd
|
H1
|
H2
|
H3
|
L1
|
L2
|
L3
|
B1
|
B2
|
B3
|
K1
|
K2
|
φdl
|
φd2
|
|
2X-1
|
27
|
20
|
50
|
23
|
30
|
34
|
3
|
3
|
48
|
5.5
|
270
|
265
|
230
|
435
|
352
|
135
|
250
|
215
|
157
|
60
|
|
11
|
20
|
|
2X-2
|
30
|
25
|
|
|
|
45
|
3
|
3
|
55
|
6
|
270
|
260
|
|
400
|
380
|
|
260
|
260
|
200
|
|
|
10
|
25
|
|
2X-4
|
32
|
28
|
55
|
31
|
35
|
45
|
4
|
3
|
55
|
6.5
|
340
|
327
|
267
|
520
|
480
|
119
|
300
|
260
|
200
|
82
|
105
|
11
|
25
|
|
2X-8
|
41
|
34
|
64
|
38
|
42.5
|
52.5
|
4
|
3
|
64
|
7
|
360
|
380
|
302
|
560
|
520
|
130
|
328
|
280
|
210
|
88
|
112
|
11
|
32
|
|
2X-15
|
56.5
|
36
|
105
|
54
|
70
|
80
|
5
|
3
|
100
|
11
|
540
|
511
|
340
|
772
|
736
|
170
|
542
|
492
|
364
|
120
|
80
|
14
|
|
|
2X-30
|
85
|
65
|
105
|
75
|
85
|
93
|
5
|
3
|
100
|
9
|
560
|
550
|
463
|
780
|
730
|
185
|
500
|
390
|
340
|
140
|
136
|
16
|
|
|
2X-70
|
|
80
|
125
|
96
|
105
|
113
|
6
|
3
|
130
|
9
|
692
|
680
|
556
|
908
|
848
|
210
|
650
|
530
|
470
|
176
|
144
|
20
|
G3
|
2XÐÍÐýÆ¬Ê½Õæ¿Õ±ÃµÄ²ðÏä°²×°£º
²ðÏäºóСÐÄÈ¡³öÐýÆ¬Õæ¿Õ±ÃÌå¡¢±¸¸½¼þ¼°ËµÃ÷Êé²¢±£¹ÜºÃ×÷ÈÕºó±¸ÓᣳýÈ¥Ìî³äÎ²Á¾»±ÃµÄ±íÃæ»Ò³¾¡¢¹¸¡£°´×°Ïäµ¥ÇåµãÊýÄ¿¡£
ÐýÆ¬Õæ¿Õ±Ã°²×°ÔÚ»·¾³Çå½à¡¢Í¨ÆøÁ¼ºÃ£¬¹âÏß³ä×ã·ûºÏµÚ4ÌõÒªÇóµÄÊÒÄÚ¡£¸ù¾ÝʹÓÃÇé¿ö±ÃÓ¦°²×°ÔÚÓÐÒ»¶¨¿íÔ£µÄ³¡µØ£¬ÒÔ±ãÓÚ²Ù×÷ά»¤¡£±ÃµÄÍâÐγߴç¼û¡£ÐýÆ¬Õæ¿Õ±Ã¿ÉÒÔ·ÅÖÃÔÚ¼áʵƽ̹µÄµØÃæÉÏ£¬²»ÐèÌØ±ðµÄµØ»ù£¬ÈçÐè¹Ì¶¨¿ÉÁí¼ÓÂݶ¤Óë»ù´¡¹ÌÀΣ¬µØ½ÅÂݶ¤³ß´ç¼û¡£ÐýÆ¬Õæ¿Õ±ÃÈç¿¿½ü¾«ÃÜÒDZíʹÓÃʱ£¬Ó¦¿¼ÂÇÔö¼Ó·ÀÕð×°Öá£
½«±»³éÈÝÆ÷ÓÃÕæ¿ÕÈí¹Ü»ò·¨À¼ÓëÐýÆ¬Õæ¿Õ±ÃÏàÁª½á£¬ÈçÓ÷¨À¼Áª½Óʱ£¬·¨À¼ÉÏÓ¦ÓÐÏð½ºÈ¦²Û£¬ÐÎʽ¼°³ß´ç¼ûͼ50Áª½Ó±»³éÈÝÆ÷µÄ¹Ü¾¶²»Ó¦Ð¡ÓڱýøÆø¿ÚÖ±¾¶£¬¹ÜͨÒ˶̣¬½ÓÍ·ÒËÉÙ£¬·ñÔòÓ°Ïì³éËÙ£¬¹ÜµÀºÍ½ÓÍ·µÄÂ©ÆøÁ¿Ó¦Ð¡¡£±»³éÈÝÆ÷µÄÆøÌåÁ¿Ó¦Óë±ÃµÄ³éËÙÏàÊÊÓ¦£¬ÐýÆ¬Õæ¿Õ±ÃµÄ³éËÙ¹ØÏµ¼ûͼ4¡£ÔÚ±ÃÓë±»³éÈÝÆ÷Ö®¼ä½¨Òé×°ÉÏÒ»¸öÕæ¿Õ·§£¬ÒÔ±ã¿ØÖÆÆøÌåÁ÷Á¿¡£¶ÔÓڱò¢½¨Òé×°ÉÏÒ»¸ö·ÅÆø·§£¨»òµç´Å·§£©ÒÔ±ãÍ£³µÊ±¶Ô±Ã·ÅÆø,ÄÜ·ÀÖ¹·µÓÍÒÔ¼°ÈÝÒ×Æð¶¯¡£
°´ÕÕµç»ú±êÅÆËùʾµçѹºÍ½ÓÏß·½Ê½½ÓÉϵçÔ´£¬²¢½¨Òé²ÉÓñ£ÏÕ×°ÖÃÒÔÃâ³¬ÔØ£¬ÅÐÃ÷µç»úÐýת·½Ïò£¬Ó¦Óë±ÃÉϼýÍ··½ÏòÒ»Ö¡£È¡ÏÂÅÅÆøÈû×°ÉÏÅÅÆøÕÖ£¬»ò½«ÅÅËù×ìÉϵÄÌ××Óȡϡ£ÐýÆ¬Õæ¿Õ±ÃÐèÀäÈ´Õß½ÓÉÏˮԴ¡£
Èç±ØÐëʹ±Ã³é³ýÓж¾µÄ¼°¸¯Ê´ºÚÉ«½ðÊôµÄÆøÌå¡¢¶ÔÕæ¿ÕÓÍÆð»¯Ñ§±ä»¯µÄÆøÌå¡¢¼°³¬¹ý³£ÎºÍÓг¾°£µÄÆøÌåʱ£¬Ó¦ÔÚ½øÆø¹ÜµÀÉϼÓ×°Öк͡¢ÀäÈ´¡¢¹ýÂ˵ÈÓйØ×°ÖÃÅäºÏʹÓ㬷ñÔò½«Ó°ÏìÐýÆ¬Õæ¿Õ±ÃʹÓÃÐÔÄܺÍÊÙÃü¡£³é³ý¶ÔÈËÌåÓк¦µÄÆøÌåʱ£¬Ó¦°²ÉÏÏàÓ¦µÄ¹ÜµÀ£¬½«ÅųöÆøÌåÒýÖÁÊÒÍâÔ¶Àë¹¤Çø½øÐд¦Àí¡£
¡¡¡¡×¢£º°²×°Ê±Ó¦Ð¡ÐÄ£¬·ÀÖ¹Ìúм¡¢ÎÛÎï¡¢³¾°£µÈÂäÈë±ÃÄÚ
2XÐÍÐýÆ¬Ê½Õæ¿Õ±ÃµÄʹÓÃ˵Ã÷£º
¡¡¡¡ 1¡¢ÐýÆ¬Õæ¿Õ±ÃÔËתעÒâÊÂÏ
¡¡¡¡ £¨1£©¶ÏÐøÆð¶¯1—2´Î£¬¹Û²ìÔÚÔËתÖÐÓÐÎÞÒì³£ÉùÏì¼°ÌØÊâµÄÕ𶯣¬ÎÞÎÊÌâ·½¿É±ßÐøÔËת¡£
¡¡¡¡ £¨2£©×¢ÒâÓÍÃæÓ¦ÔÚÊÓ¾µµÄÁ½ÌõÓͱêÏßÖ®¼ä£¬ÓÍÁ¿¶àÁË»áÒýÆðÆð¶¯À§ÄÑ¡¢·µÓÍ¡¢ÅçÓ͵Ȳ»Á¼ÏÖÏó£¬ÉÙÁËÔòÓ°ÏìÕæ¿Õ¶È¡£ÓÍÁ¿²»×ãʱӦͨ¹ý¼ÓÓͿ׼ÓÓÍ¡£×¢Òâ¾ÃÍ£µÄ±ÃÓÍÃæÒªÏ½µ£¬½«±ÃÁ¬ÐøÔËת¼¸×ªºó£¬ÓÍÃæ²Å»áÉÏÉý¡£
¡¡¡¡ £¨3£©´ò¿ªÀäÈ´Ë®
¡¡¡¡ £¨4£©´ò¿ª±Ã½øÆø×ìÉϵķ§ÃÅ£¬´ò¿ªµÄ´óСÊÓ¾ßÌåÇé¿ö¶ø¶¨¡£
¡¡¡¡ 2¡¢¶Ô³õ´Î°²×°ºÃµÄÐýÆ¬Õæ¿Õ±Ã£¬Ó¦ÏÈ×öÒ»´ÎÊÔ³µÔËת£¬´Ëʱ±ÃÓ¦ÎÞ°²×°²»µ±µÄÕñ¶¯¼°ÎÞÌØÊâ³å»÷ÉùÏ죬µç»ú²»Ó¦³¬¸ººÉ£¬ÓÍκͼ«ÏÞÕæ¿Õ¶ÈÓ¦·ûºÏ¼¼Êõ¹æ¸ñ¡£
¡¡¡¡ 3¡¢Í£ÐýÆ¬Õæ¿Õ±ÃʱӦÏȹضϽøÆø×ìÉϵķ§ÃÅ£¬×°ÓÐ·ÅÆø·§Õß¶Ô±Ã·ÅÆø£¬ÔٽضϵçÔ´£¬ÔÙͣˮԴ¡£
¡¡¡¡ 4¡¢ÐýÆ¬Õæ¿Õ±ÃʹÓÃÖÐ×¢ÒâÊÂÏ
¡¡¡¡ £¨1£©¾³£×¢ÒâÓÍλ¡£
¡¡¡¡ £¨2£©±ÃÆð¶¯ºóÔÙ»ºÂý´ò¿ª·§ÃÅ¡£
¡¡¡¡ £¨3£©¾³£×¢Òâ±ÃÔËתÊÇ·ñÕý³££¬ÓÐÎÞÌØÊâÉùÏ죬µç»úÊÇ·ñ³¬¸ººÉÔËת¡£
¡¡¡¡ £¨4£©×¢ÒâÀäÈ´Ë®ÊÇ·ñÖжϡ£
¡¡¡¡ £¨5£©×¢Òâ±ÃÎÂÉý²»³¬¹ý40¡æ
¡¡¡¡ £¨6£©ÈçÍ£³µºóÐýÆ¬Ê½Õæ¿Õ±ÃÎÂҪϽµµ½5¡æÒÔÏÂʱ£¬±ÃÄÚÀäË®±ØÐë³ý¾»¡£
2XÐÍÐýÆ¬Ê½Õæ¿Õ±ÃµÄά»¤±£Ñø£º
¡¡¡¡ 1¡¢ÐýÆ¬Õæ¿Õ±ÃÔÚ¹¤×÷ÖгýÁË×¢ÒâµÚ15ÌõÊÂÏîÍ⣬ÉÐÐë×¢ÒâÏÂÁÐÊÂÏ
¡¡¡¡ £¨1£©ÐýÆ¬Õæ¿Õ±ÃÐë¾³£±£³ÖÇå½à£¬±ÃÉϲ»µÃ·ÅÖÃÆäËûÎï¼þ¡£
¡¡¡¡ £¨2£©×¢ÒâÆ¤´øËɽôÊÇ·ñÊʵ±£¬µÚ°ëÄêÄêµ÷ÕûÒ»´Î¡£
¡¡¡¡ £¨3£©¹ÜµÀ½ÓÍ·ÊÇ·ñÂ©Æø£¬¼°Ê±¶Å¾ø¡£
¡¡¡¡ 2¡¢ÐýÆ¬Õæ¿Õ±ÃÁ¬Ðø¹¤×÷ÈýÔÂÖÁ°ëÄêÖ®ºó£¬¾ÍÓ¦»»ÓÍÒ»´Î£¬ÔÚʪ¶È½Ï´óµÄµØÇø£¬ÔÚ³±Êª¼¾½Ú¹¤×÷µÄ±Ã£¬»ò±»³éÆøÌåÎÛȾºÜ´óµÄ£¬Ó¦¸ù¾Ý¾ßÌåÇé¿ö×ÃÇéËõ¶Ì»»ÓÍʱ¼ä¡£
»»ÓÍÊÂÏîÈçÏ£º
¡¡¡¡ £¨1£©½«ÐýÆ¬Õæ¿Õ±Ã²ð³ýÕæ¿Õϵͳ£¬°Ñµ×Å̵ç»úÒ»¶Ëµæ¸ßЩ£¬´ò¿ª·ÅÓÍÈû·ÅÓÍ£¬×ª¶¯Õæ¿Õ±Ã¡¢Îæ×¡ÅÅÆø¿Ú£¬Ê¹Ç»ÄÚÎÛÓÍÈ«²¿´Ó·ÅÓͿڷųö£¬ÔÙ´Ó½øÆø¿Ú´¦¼ÓÈëÐÂÓÍ100—500ml³ÖÐø×ª¶¯5—10תÒÔÉ϶ԣ¬ÄÚ²¿½øÐÐÇåÏ´£¬Õմ˲Ù×÷3—5´Î£¬ÌØÎÛÓÍ·ÅÇåºó£¬ÔÙ×°ÉÏ·ÅÓÍÈû£¬½«±Ã·Åƽ£¬´Ó½øÆø¿Ú¼°¼ÓÓͿ׷ֱð¼ÓÈëÐÂÓÍ£¬»»Óͼ´¸æÍê±Ï¡£
¡¡¡¡ £¨2£©»»ÓÍʱ²»Ò˳¤¾Ã¿ª¶¯µç»ú£¬ÒÔÃâʹÅÅÆø·§Æ¬Ìø¶¯¹ýÓÚ¾çÁÒºÍÆ£ÀÍ¡£
¡¡¡¡ £¨3£©ÑϽûÓÃúÓÍ¡¢ÆûÓÍ¡¢¾Æ¾«µÈ¶Ô±Ã×÷·Ç²ðжµÄÇåÏ´¡£
×¢£ºÐýÆ¬Ê½Õæ¿Õ±Ã»»ÓÍ×îºÃµÄÓÍÎÂÉý¸ßºó½øÐС£
¡¡¡¡ 3¡¢ÈçÍ£ÐýÆ¬Õæ¿Õ±Ãʱ¼ä½Ï³¤£¬Ó¦È¡ÏÂÅÅÆøÕÖ·ÅÉÏÅÅÆøÈû£¬·â±Õ½øÆø¿Ú£¬·Å¾»»ýË®¡£
2XÐÍÐýÆ¬Ê½Õæ¿Õ±ÃµÄʹ¹ÊÕÏÔÒò¼°Ïû³ý·½·¨£º
¡¡¡¡ ÐýÆ¬Ê½Õæ¿Õ±ÃÒ»°ã¹ÊÕϵÄÅųý£º
¡¡¡¡ 1¡¢ÐýÆ¬Ê½Õæ¿Õ±ÃÕæ¿Õ¶È²»¸ß£º
¡¡¡¡ £¨1£©±ÃÎÂÌ«¸ß£º
¡¡¡¡ £¨2£©Èç±»³éÆøÌåζȸߣ¬ÔòÓ¦ÏȽ«ÆøÌåÀäÈ´ºóÔÙ½øÈëÐýÆ¬Õæ¿Õ±ÃÄÚ¡£B¡¢ÈçÎüÈëÓ²Îï¸×ÄÚÄ¥Ëð£¬Ó¦ÐÞ¸´¸ü»»¡£
¡¡¡¡ £¨3£©Èç±ÃµÄÀäÈ´Ë®²»¹»£¬Ó¦´ò¿ª»ò¼Ó´óÀäÈ´Ë®¡£D¡¢Èç×°Åä²»µ±£¬Ôì³Éµ¥ÃæÄ¥Ëð£¬Ó¦¼ì²éÔÙ×°¡£
¡¡¡¡ £¨4£©ÓÍλ¹ýµÍδµ½ÊÓ¾µÓÍÏßλÖã¬Ó¦¼Ó¹»ÓÍÁ¿¡£
¡¡¡¡ £¨5£©²ôÆø·§Î´¹ØÑÏÂ©Æø£¬Ó¦¹ØÑÏ¡£
¡¡¡¡ £¨6£©ÓÍÖʱ仵£¬¸ü»»ÐÂÓÍ¡£
¡¡¡¡ £¨7£©ÐýÆ¬Õæ¿Õ±Ã©´óÆø¶àÊÇÓÉÓڱõĶËÃæÓÍ·â²»Á¼ËùÖ£¬ÕâʱӦ´ò¿ªÅÅÆø¸Ç£¬¼ì²éB´¦ÓͳØÊÇ·ñȱÓÍ£¬ÈçÎÞÓÍÓ¦´Ó¼ÓÓͿ״¦¼ÓÓÍ£¬Ê¹ÓͳØB´¦»ýÂúÓÍ.
¡¡¡¡ £¨8£©×ªÆ¬µ¯»ÉÕÛ¶Ï£¬Ó¦²ðϸü»»¡£
¡¡¡¡ £¨9£©·§ÃÅÆ¬Ë𻵣¬Ó¦¸ü»»¡£
¡¡¡¡ £¨10£©Ç°¶Ë°åÉÏÓÍÃÜ·âÀïµÄÃÜ·âȦË𻵻òÏ𽺱äÖÊ£¬Ó¦¸ü»»¡£
¡¡¡¡ £¨11£©ÐýÆ¬Õæ¿Õ±ÃʹÓÃʱ¼ä³¤£¬Ä¥Ëð´ó¡¢¼ä϶Ôö´ó£¬Ó¦ÐÞ¸´»ò¸ü»»ÊÜËðÁã¼þ¡£
¡¡¡¡ £¨12£©½øÆø´¦¹ýÂËÍø¶ÂÈû£¬È¡ÏÂÇåÏ´¡£
¡¡¡¡ 2¡¢ÐýÆ¬Ê½Õæ¿Õ±Ãµç»ú³¬¸ººÉÔËת£º
¡¡¡¡ £¨1£©ÐýÆ¬Õæ¿Õ±ÃÎÂÌ«¸ß£¬ÕÕ20Ìõ£¨1£©¿î£¨1£©Ïî´¦Àí¡£
¡¡¡¡ £¨2£©ÎüÈëÌúм»òÆäËü»úеÎïÖÊÔì³Éµ¥ÃæÄ¥Ëð£¬Ó¦ÓèÐÞ¸´»ò¸ü»»Ä¥ËðÁã¼þ¡£
¡¡¡¡ £¨3£©×°Åä²»µ±£¬Ôì³Éµ¥ÃæÄ¥Ëð»òҧ룬ӦÐÞÀíÖØÐÂ×°Åä¡£
¡¡¡¡ 3¡¢ÐýÆ¬Ê½Õæ¿Õ±ÃÆäËü£º
¡¡¡¡ £¨1£©Öá¶Ë©ÓÍ£¬ÃÜ·âȦĥËð»ò×°Åä²»ÕýÈ·£¬Ó¦¸ü»»»ò֨װ¡£
¡¡¡¡ £¨2£©¿ª³µÅçÓÍ£¬ÓÍλ̫¸ß£¬Ó¦·Å³ö¶àÓàµÄÓÍ£¬»ò¸÷µ²ÓÍ×°ÖÃÒÑ»µ£¬Ó¦ÖØÐµ÷Õû»òÐÞÀí¡£
¡¡¡¡ £¨3£©¶ËÃæÂ©ÓÍ£¬Òòǰºó¶ËÃæÅöÉ˲»Æ½£¬¶Ë°åδš½ô£¬Ó¦½«¶ËÃæÐÞÆ½Å¡½ô¡£
2XÐÍÐýÆ¬Ê½Õæ¿Õ±ÃµÄάÐÞ£º
¡¡¡¡ 1¡¢½«ÐýÆ¬Ê½Õæ¿Õ±Ã²ðÀëÕæ¿Õϵͳ£¬·ÅÓÍÏȲðµÍÕæ¿Õ¶Ë£¨¼ûͼ3£©£¬È¡Ïºó¶Ë°åºó£¬ÔÙÈ¡µÍÕæ¿Õת×Ó¼°¼ü£¬È»ºó½«Ç°¶Ë°å²ðÏ£¬È¡³öÕæ¿Õת×Ó¼°×ªÆ¬¡¢µ¯»ÉµÈ£¬È¡ÏÂÊÓ¾µ¡¢ÅÅÆø·§ÃÅ¡¢ÅÅÆø¸Ç£¬ÓÃÆûÓÍ»òÕßÓþƾ«³¹µ×ÇåÏ´È«²¿Áã¼þ¡£²ðʱӦעÒâÿ¸öÁã¼þµÄ²¿Î»£¬·½Ïò¼°×éºÏËɽô£¬²ðϵÄÁã¼þÓ¦·Ö¿ª·ÅÖ㬠²»ÔÊÐí»ìÔÚÒ»Æð£¬»¥ÏàÄ¥ÉË¡£¼ì²éÈ«²¿Á㲿¼þ£¬¿´ÓÐÎÞÄ¥Ëð»òÀ룬´òÀõȲ»Á¼ÏÖÏ󣬰´Çé¿ö½øÐÐÐÞÀí»ò¸ü»»¡£Ìرð×¢Òâǰºó¶Ë°å·¢ÏÖÓнϴó³Ì¶ÈµÄ²ÁÉË£¬ËµÃ÷×°Åäʱת×ÓÓëÖиô°å²»´¹Ö±£¬Ó¦Óèµ÷Õû¶¨Î»Ïú¶¤£¬ÈçÌ«ÑÏÖØÊ±Ó¦ÓèÐÞÀí»ò¸ü»»¡£ÐýÆ¬Ê½Õæ¿Õ±Ã¼ì²é¼ä϶£º·Ö±ð½«¸ßת×Ó·ÅÈë¸ßÕæ¿ÕÊÒ£¬µÍת×Ó·ÅÈëµÍÕæ¿ÕÊÒ£¬Óõ¶¿Ú³ß¼°ºñ±¡¹æ¼ì²é¼ä϶£¬Á½¶ËµÄ¼ä϶Ӧ»ù±¾ÏàµÈ¡£
¡¡¡¡ 2¡¢×°ÅäǰӦÇåÏ´¸É¾»²¢ºæ¸É£¬°´Í¼4½øÐÐ×°Å䣬ÏÈ×°¸ßÕæ¿Õ¶Ë£¬½«µ¯»ÉתƬÍÐÆð×°Èë¸ßת×ÓÄÚ£¬È»ºó·Å½ø¸ßÕæ¿ÕÊÒ£¬×°ÉÏǰ¶Ë°å£¬ÔÙ×°¶¨Î»Ïú¶¤£¬¾ùÔÈÅ¡½ôÂݶ¤£¬×°ÅäºóÓ¦±£Ö¤×ª¶¯Áé»îÇáËÉ £¬¾ùÔÈÒ»Ö¡£È»ºóÔÙ×°µÍÕæ¿Õת×Ó¼°ºó¶Ë¸Ç£¬µÍתƬµÄ²ÛÓ¦Ïòºó¶Ë°åÒ»±ß¡£ÔÙ×°ÅÅÆøÃÅ£¬ÅÅÆø·§Æ¬Ó¦Ìù½ô·§°å×ø£¬ÔÙ×°ÆäËüÁã¼þ¡£
¡¡¡¡ 3¡¢×°ÅäʱӦעÒ⣬·²×ª¶¯²¿Î»Ó¦ÏÈ´òÉÏÕæ¿ÕÓÍ£¬×¢ÒâÇå½à£¬ÑϽûÌúмÄàɰ³¾°£µÈÂäÈë±ÃÄÚ£¬¶¨Î»Ïú¶¤Òª½Ó´¥Á¼ºÃ£¬×°ºÃµÄÐýÆ¬Ê½Õæ¿Õ±ÃӦת¶¯ÇáËÉ£¬ÎÞ×ªÖØ²»¾ù£¬²¢Ã»ÓÐ×èÖÍÏÖÏó¡£×Ü×°Íêºó£¬·Ö±ð´Ó½øÆø×ì¼°¼ÓÓͿ׼ÓÓÍ£¬ÐýÆ¬Ê½Õæ¿Õ±Ã×°ÓÍÔÚÊÓ¾µºáÏß´¦ÎªÖ¹£¬ÔÙÊÔ³µ¡£
2XÐÍÐýÆ¬Ê½Õæ¿Õ±ÃµÄ¶©»õÐëÖª:
ÇëÌṩÒÔÏÂÏêϸÊý¾Ý£º¢ÙÐýÆ¬Ê½Õæ¿Õ±ÃµÄ²úÆ·Ãû³ÆÓëÐͺŢÚÐýÆ¬Ê½Õæ¿Õ±ÃµÄÕæ¿Õ¶ÈÒªÇóµ¥Î»PA»òMPA¢ÛÐýÆ¬Ê½Õæ¿Õ±Ã³éËÙÒªÇóµ¥Î»L/S»òM3/MIN¢ÜÐýÆ¬Ê½Õæ¿Õ±ÃµÄʹÓÃÌõ¼þºÍ¹¦¿öÌõ¼þ¢ÝÐýÆ¬Ê½Õæ¿Õ±ÃµÄµç»ú¹¦ÂÊ£¨KW£©¢ÞÐýÆ¬Ê½Õæ¿Õ±ÃµÄתËÙ£¨r/min£©¢ßÐýÆ¬Ê½Õæ¿Õ±ÃµÄµçѹ¡²V¡³¢àÐýÆ¬Ê½Õæ¿Õ±ÃµÄ½ø³ö¿Ú¿Ú¾¶¢áÐýÆ¬Ê½Õæ¿Õ±ÃÊÇ·ñ´ø¸½¼þ£¬ÒÔ±ãÎÒÃǵÄΪÄúÕýÈ·Ñ¡ÐÍ¡£
¸Ðл·ÃÎÊȪ´ï£¬ÎÒ¹«Ë¾Ö÷ÒªÉú²ú¹ÜµÀ±Ã£¬×ÔÎü±Ã£¬ÅÅÎ۱õȲúÆ·